
Всем, кто пробивает на своём участке скважину, хотелось бы иметь воду наивысшего качества. Но не всегда всё происходит так, как мы планируем. Вода может иметь мутноватую окраску, посторонний запах или осадок. Одной из причин таких явлений бывает чрезмерное содержание железа в воде. Кстати, повышенным оно бывает и в воде без всяких внешних проявлений. Пользоваться ею весьма небезопасно. Чтобы оградить себя от кошмаров, связанных с водой, надо обязательно купить фильтр для воды из скважины от железа.
Вред воды с железом для жизни и здоровья
Привкус железа испортит качество любимых напитков: чая, кофе, компотов и т. д. Но это не самое страшное. Регулярное потребление воды с повышенным содержанием железа очень пагубно сказывается на здоровье и самочувствии людей. У некоторых могут возникать аллергические реакции, нарушение обмена веществ и развиваться заболевания крови. У людей, пьющих такую воду, постепенно становятся жёлтыми зубы, а волосы пересыхают, ломаются и очень сложно восстанавливаются.
Опасность для техники
Если концентрация железа в воде больше, чем 1,0 мг/л, то стирка чревата самыми неприятными последствиями для белья. Увеличение дозы порошка или отбеливателя только усугубит ситуацию. Не пощадит «железистая» вода и светлую сантехнику с кафельной плиткой — всё приобретёт рыжевато-грязный оттенок. В трубах с горячим водоснабжением будут неизбежно образовываться хлопья, которые засоряют и забивают батареи и трубопроводы, выводят из строя смесители.
Учитывая всё вышесказанное, применять фильтр для обезжелезивания воды, получаемой из скважины, является жизненно необходимой мерой. Но чтобы правильно его подобрать предварительно рекомендуется сделать анализ воды.
Типы фильтров очистки воды от железа
Эти очищающие устройства совершенно непохожи на обычные водяные фильтры. Суть в том, что железо перед удалением из жидкости должно окислиться. Фильтры для очистки воды от железа, применяемые в промышленных и домашних хозяйствах, бывают реагентными и безреагентными.
Реагентный фильтр
Реагентные фильтры для воды из скважины от железа выглядят как полый столб с засыпанным внутрь зеленоватым «песком» — фильтрационной загрузкой, которая является катализатором и задерживает нерастворимый остаток после окисления. Размеры этого столба зависят от производительности фильтра, которая подбирается согласно количеству железа в воде из конкретной скважины. Также комплект фильтра включает в себя бак для реагента и управляющий клапан с контроллером.
Процесс очистки происходит при прохождении воды через фильтрующий слой, в результате чего возникает реакция окисления и железо, марганец и сероводород выпадают в осадок.

Реагентный фильтр обезжелезивания воды
Работа фильтра контролируется автоматически. Можно задать определённые параметры и клапан будет в конкретное время запускать режим восстановления. В этот период накопленные твёрдые частицы окислов утилизируются в сток, а очищающие гранулы восстанавливают свои функции. Для восстановления работы очистительного вещества в фильтр из бака вводится раствор перманганата калия.
Совет: На время очистки стоит воздержаться от пользования водопроводом, чтобы не загубить живые бактерии в канализации. Сброс содержимого фильтра нужно производить по байпасной магистрали в резервуар в обход ёмкости биологической очистки.
Система очистки воды реагентного типа нуждается в ежеквартальном обслуживании. Для его проведения лучше обратиться в специализированную компанию с квалифицированными рабочими.
Несомненным плюсом такой системы является ее доступность по цене.
Безреагентная очистка воды от железа
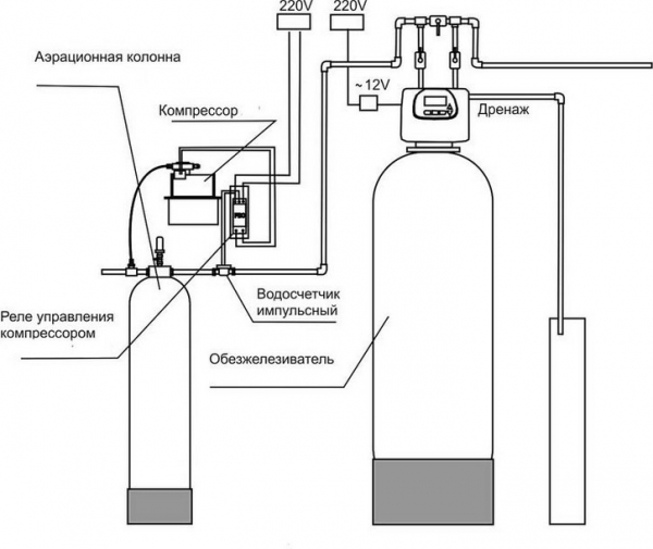
В этих фильтрующих системах не применяются никакие дополнительные реагенты, их роль выполняет воздух. Он подаётся компрессором в аэрационную колонну, где и происходит окисление и очистка воды от железа, которые затем продолжаются в колонне с фильтрующим материалом по аналогии с реагентными фильтрами.
Фильтры очистки воды от железа безреагентного типа состоят из двух частей: ёмкости с фильтрующим наполнением и напорной аэрационной установки. Результаты работы этого фильтра такие же, как и у классических реагентных очистителей.

Схема аэрационного фильтра воды от железа напорного типа
Аэрационный безреагентный очиститель будет единственным вариантом очистки воды от железа в случае, когда нет никакой возможности установить байпасную линию канализации в обход резервуара биологической переработки стоков.
На заметку: Также существуют аэрационные фильтры безнапорного типа для обезжелезивания воды из скважины, в них вода, находящаяся в отдельной емкости, насыщается кислородом с помощью компрессора.
Фильтры безреагентной очистки воды от железа подразделяются на два вида по способу работы: периодического и постоянного действия.
Особенность фильтров периодического действия в том, что во время промывки они не способны очищать воду. Но если есть острая необходимость, то возможна подача воды неочищенной. Чаще всего эту процедуру программируют на ночь.
Если в доме часто возникает потребность в воде в любое время суток, то лучше будет установить систему очистки постоянного действия, которая состоит из двух фильтрующих установок. Во время, пока один промывается, второй продолжает работать.
Виды фильтровальных загрузок
Birm

Вариант безнапорного безреагентного аэрационного фильтра
Одна из самых популярных безреагентных загрузок для очистки воды от марганца, сероводорода и железа — Birm. Соединения железа оседают в массе загрузки и легко утилизируются. Birm не нуждается в восстановлении, а очищается при помощи обратной промывки. Факты в пользу загрузок Birm:
- используется при разных температурах воды;
- очень тщательная очистка от железа;
- надолго хватает;
- не истирается;
- лёгкая в уходе.
Pyrolox
Это диоксид марганца природного происхождения. Улавливает сероводород, железо и марганец, которые легко удаляются при обратном промывании. Дополнительные окислители способны ускорить процесс фильтрации. Pyrolox — это плотный материал, поэтому его частицы не попадают в воду. Для регенерации ничего не нужно, кроме обратной промывки.
МЖФ
Это фильтрующие гранулы, состоящие из смеси Si, Al, Ca, Fe. Применение МЖФ в фильтровальных системах даёт очень хорошие результаты. Пористые гранулы способны очищать воду с концентрацией железа до 50 мг/л и марганца до 2 мг/л. Кроме этого, нейтрализуется растворенная в воде углекислота, сероводород, задерживается органический мусор и соли тяжёлых металлов. После продолжительного использования МЖФ не теряет своей активности.
Manganese Greensand
Эта загрузка представляет собой глауконитовый песок, сдобренный оксидами марганца. Он прекрасно выводит из воды железо, марганец и сероводород. Все примеси утилизируются при обратной промывке. Чтобы восстановить очистительную способность Manganese Greensand, применяют слабый раствор марганцовки.
МТМ
Гранулированная субстанция, которая обогащена оксидом марганца. На активной поверхность гранул происходит осаждение растворенного железа и марганца. Осадок удаляется при обратной промывке. Регенерация производится с помощью раствора перманганата калия.
Цены
Цена на фильтры для скважины воды от железа зависит от многих параметров, таких как тип фильтра и загрузки, производительности, вид блока управления и т.п.
Например, реагентный фильтр ECOWATER ETF 2100 IF-12 (в качестве наполнителя используется Greensand) с электронный блоком управления стоит 88000 рублей.
А фильтры с автоматикой Autotrol с производительностью 1 кубометр в час будут иметь стоимость от 640 до 985 долларов в зависимости от управления, которое может быть компьютерным, таймерным или ручным.
Фильтрационная установка Аквалайн Mix обойдется в 45000 рублей.