Дефлектор для вентиляции – это простое устройство, позволяющее повысить эффективность системы в пределах 20%. Мы хотим рассказать о принципе действия, особенностях и разновидностях этих устройств, а также остановиться на том, как смонтировать вентиляционный дефлектор своими руками.

Вытяжной дефлектор вентиляции повышает тягу и эффективность работы вытяжки.
Дефлекторы систем вентиляции
Устройство и принцип действия

На фото – одна из наиболее распространенных разновидностей дефлекторов.
В первую очередь необходимо разобраться, что такое дефлектор в вентиляции, так как область применения сильно сказывается на конструкции устройства. В приточно-вытяжных системах естественной вентиляции дефлектор устанавливают на оголовке вытяжного канала для повышения тяги за счет создания области пониженного давления.
Принцип действия устройства основан на законе Бернулли, одним из следствий которого является эффект разрежения воздуха в потоке с изменяющимся сечением. Чем выше скорость потока, тем заметнее перепад давлений.

На схеме показаны потоки ветра (рис. а) и потоки воздуха на выходе из канала (рис. б), а также зоны повышенного и пониженного давления (отмечены символами «+» и «-«).
Важно! Таким образом мы видим, что за счет энергии ветра, обдувающего трубу, в зоне ее оголовка создается относительный вакуум, который заставляет воздушные массы внутри трубы направляться вверх, создавая дополнительную тягу.
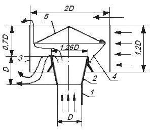
Если мы рассмотрим устройство дефлектора вентиляции, то увидим несколько основных частей (вариант ЦАГИ):

Чертеж вентиляционного дефлектора, где: 1 – оголовок трубы; 2 – диффузор; 3 – корпус; 4 – лапки (стойки) зонта; 5 – зонт (колпак).
В варианте конструкции Григоровича мы увидим несколько иную картину.
В состав устройства входят такие узлы:

Устройство конструкции Григоровича.
Важно! В варианте Григоровича мы видим, что эжекция происходит в двух направлениях: в направлении обратного конуса и в направлении широкой стороны диффузора. При этом скорость потока под обратным конусом возрастает за счет сужения канала, что приводит к повышению разности давлений.
Разновидности

Современный строительный рынок предлагает множество различных моделей и конструкций.
Подбор дефлектора для вентиляции следует осуществлять с учетом имеющихся в свободном доступе разновидностей и погодных условий вашей местности.
Рассмотрим наиболее распространённые модели:
- Конструкция Центрального Аэрогидродинамического Института (ЦАГИ) – является одной из наиболее популярных разновидностей. Конструкционные особенности мы рассмотрели выше;
- Модель Григоровича. Это, пожалуй, самая распространенная разновидность дефлектора в нашей стране и за ее пределами. Конструкция также рассмотрена в предыдущей главе;
- Тарельчатая открытая конструкция типа Astato. Также весьма распространена и популярна за счет простого устройства и эффективной работы;
- Ротационные модели. Представляют собой сложные устройства с вращающейся частью и специальной системой лопастей, поддерживающих это вращение. Отличительная черта – более высокая цена и эффективность;
- Н-образные модели. Отличаются наличием сразу двух дефлекторов на одном оголовке;
- Дефлекторы-флюгеры. Представляют собой поворотные насадки с килем, который поворачивает конструкцию в направлении ветра так, что его потоки попадают в систему отверстий и лопастей, вызывая эффект эжекции газа из воздуховода.

Н-образный вариант конструкции.
Важно! Как правило, вытяжная труба выводится на крышу. Это создает разность гравитационных значений давления воздуха, а также позволяет установить дефлектор на открытом для ветра пространстве.
Кроме принципиальной схемы аппарата, нам понадобятся размеры сечений каналов и цилиндров или их соотношения. Расчет дефлектора для вентиляции производят на основании этих соотношений или выполняют «с нуля» для конкретного устройства.

Таблица размеров изделий для разных диаметров оголовка воздуховода.
Если говорить о материалах, то в подавляющем большинстве случаев все модели изготовлены из двух видов сырья: металла или пластика. Чаще всего используют оцинкованную сталь, жесть, нержавеющую сталь и алюминий.

Пластиковое изделие можно подобрать по цвету кровли.
Пластиковый дефлектор вентиляционный отличается более низкой стоимостью, разнообразием расцветок, однако боится высоких температур и быстрее приходит в негодность.
Монтаж

Установка аппарата на оголовок трубы выполняется достаточно просто.
Для тех, кто приобрел дефлектор, наша инструкция по его монтажу:

Хомут упрощает монтаж.

На снимке видны кронштейны и соединения.

Колпак крепится на стойках.
Важно! Диаметр зонта должен превышать диаметр выходного отверстия диффузора, иначе косой дождь будет попадать внутрь канала.
Вывод
Применение дефлекторов позволяет повысить тягу вытяжной вентиляции и защитить ее от ветровой закупорки. Также появляется возможность повысить общую эффективность работы системы и защитить ее от обратной тяги.
Видео в этой статье поможет вам лучше разобраться в правилах устройства и монтажа данной конструкции.